Частота (Гц) 50
Потребляемая мощность (В) 16
Напряжение питания (Вт) 230
Производительность (м3/ч) 280
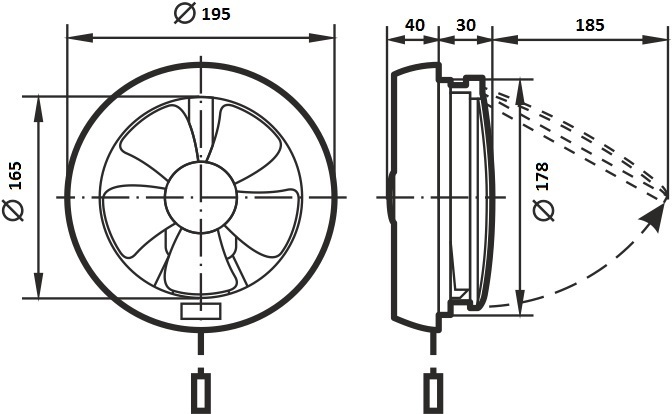
Монтажный размер (мм) Ø178
Уровень шума (дБ) 38
Масса (кг) 0,48
Применяются для вытяжной вентиляции кухонь, жилых и бытовых помещений;
Монтируются в оконные проёмы;
Конкурентные преимущества осевых вентиляторов HPS:
Лицевая панель, корпус и крыльчатка изготовлены из ABS-пластика;
Оборудованы защитным клапаном со стороны улицы;
Открытие/закрытие защитного клапана осуществляется шнуровым тяговым выключателем






